汽车终端电阻(不容忽视的小电阻:CAN(FD)终端电阻在汽车通信中的关键角色)
CAN总线终端电阻,顾名思义就是加在总线末端的电阻。此电阻虽小,但在CAN总线通信中却有十分重要的作用。
终端电阻的作用
CAN总线终端电阻的作用有两个:
- 提高抗干扰能力,确保总线快速进入隐性状态;
- 提高信号质量。
提高抗干扰能力
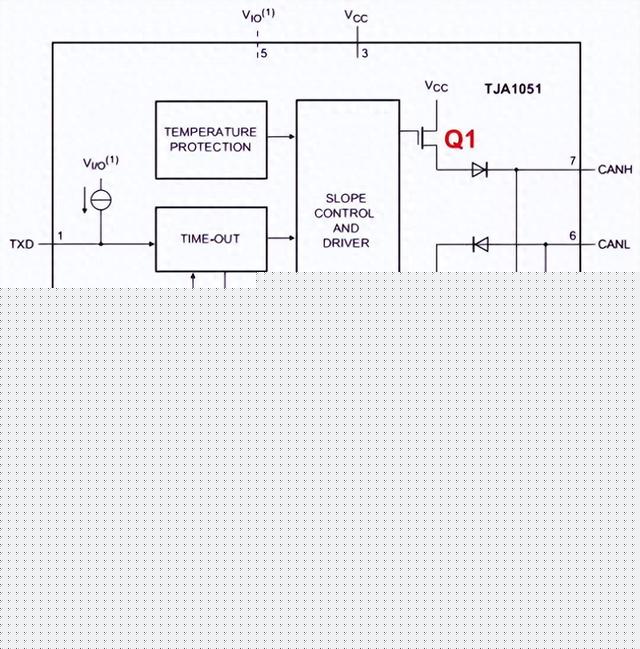
CAN总线有“显性”和“隐性”两种状态,“显性”代表“0”,“隐性”代表“1”,由CAN收发器决定。图1是一个CAN收发器的典型内部结构图,CANH、CANL连接总线。

图1
总线显性时,收发器内部Q1、Q2导通,CANH、CANL之间产生压差;隐性时,Q1、Q2截止,CANH、CANL处于无源状态,压差为0。
总线若无负载,隐性时差分电阻阻值很大,外部的干扰只需要极小的能量即可令总线进入显性(一般的收发器显性门限最小电压仅500mV)。为提升总线隐性时的抗干扰能力,可以增加一个差分负载电阻,且阻值尽可能小,以杜绝大部分噪声能量的影响。然而,为了避免需要过大的电流总线才能进入显性,阻值也不能过小。
确保快速进入隐性状态
在显性状态期间,总线的寄生电容会被充电,而在恢复到隐性状态时,这些电容需要放电。如果CANH、CANL之间没有放置任何阻性负载,电容只能通过收发器内部的差分电阻放电。我们在收发器的CANH、CANL之间加入一个220PF的电容进行模拟试验,位速率为500kbit/s,波形如图2、图3。

图2

图3
从图3看出,显性恢复到隐性的时间长达1.44μS,在采样点较高的情况下勉强能够通信,若通信速率更高,或寄生电容更大,则很难保证通信正常。
为了让总线寄生电容快速放电,确保总线快速进入隐性状态,需要在CANH、CANL之间放置一个负载电阻。增加一个60Ω的电阻后,波形如图4、图5。从图中看出,显性恢复到隐性的时间缩减到128nS,与显性建立时间相当。

图4

图5
提高信号质量
信号在较高的转换速率情况下,信号边沿能量遇到阻抗不匹配时,会产生信号反射;传输线缆横截面的几何结构发生变化,线缆的特征阻抗会随之变化,也会造成反射。
在总线线缆的末端,阻抗急剧变化导致信号边沿能量反射,总线信号上会产生振铃,若振铃幅度过大,就会影响通信质量。在线缆末端增加一个与线缆特征阻抗一致的终端电阻,可以将这部分能量吸收,避免振铃的产生。
我们进行了一个模拟试验,位速率为1Mbit/s,收发器CANH、CANL接一根10m左右的双绞线,收发器端接120Ω电阻保证隐性转换时间,末端不加负载。末端信号波形如图6,信号上升沿出现了振铃。

图6
若双绞线末端增加一个120Ω的电阻,末端信号波形明显改善,振铃消失,如图7。

图7
一般在直线型拓扑中,线缆两端即是发送端,也是接收端,故线缆两端需各加一个终端电阻。
为什么选120Ω
任何一根线缆的特征阻抗都可以通过实验的方式得出。线缆的一端接方波发生器,另一端接一个可调电阻,并通过示波器观察电阻上的波形。调整电阻阻值的大小,直到电阻上的信号是一个良好的无振铃的方波,此时的电阻值可以认为与线缆的特征阻抗一致。
大部分汽车线缆都是单线的。如果你采用两根汽车使用的典型线缆,将它们扭制成双绞线,就可根据上述方法得到特征阻抗大约为120Ω,这也是CAN标准推荐的终端电阻阻值。
-
全域智慧 双车齐发!瑞驰汽车卡系双子星C5|C3于2025世界智博会开启预售了!9月5日,为积极响应国家新能源与智能网联汽车发展战略,瑞驰汽车率先推进商用车智慧转型,于2025世界智能产业博览会这一全球性舞台上,正式开启旗下卡系双子星——全域超增智慧新卡瑞驰C5与全能智慧新卡瑞驰C3的预售。智博会以“智汇八方·博采众长”为主题...
-
全域智慧 双车齐发!瑞驰汽车卡系双子星C5/C3于2025世界智博会开启预售了!9月5日,为积极响应国家新能源与智能网联汽车发展战略,瑞驰汽车率先推进商用车智慧转型,于2025世界智能产业博览会这一全球性舞台上,正式开启旗下卡系双子星——全域超增智慧新卡瑞驰C5与全能智慧新卡瑞驰C3的预售。智博会以“智汇八方·博采众长”为主题...
-
全域智慧 双车齐发!瑞驰汽车卡系双子星C5/C3于2025世界智博会开启预售了9月5日,为积极响应国家新能源与智能网联汽车发展战略,瑞驰汽车率先推进商用车智慧转型,于2025世界智能产业博览会这一全球性舞台上,正式开启旗下卡系双子星——全域超增智慧新卡瑞驰C5与全能智慧新卡瑞驰C3的预售。智博会以“智汇八方·博采众长”为主题...
-
全域智慧 双车齐发!瑞驰汽车卡系双子星C5/C3于2025世界智博会开启预售!9月5日,为积极响应国家新能源与智能网联汽车发展战略,瑞驰汽车率先推进商用车智慧转型,于2025世界智能产业博览会这一全球性舞台上,正式开启旗下卡系双子星——全域超增智慧新卡瑞驰C5与全能智慧新卡瑞驰C3的预售。智博会以“智汇八方·博采众长”为主题...
-
全域智慧 双车齐发!瑞驰汽车卡系双子星C5/C3于2025世界智博会开启预售9月5日,为积极响应国家新能源与智能网联汽车发展战略,瑞驰汽车率先推进商用车智慧转型,于2025世界智能产业博览会这一全球性舞台上,正式开启旗下卡系双子星——全域超增智慧新卡瑞驰C5与全能智慧新卡瑞驰C3的预售。智博会以“智汇八方·博采众长”为主题...
-
瑞驰汽车亮相2025世界智博会,以五大自研技术引领商用车智慧生态9月5日,2025世界智能产业博览会在重庆国际博览中心盛大开幕。瑞驰汽车凭借"智慧安全、智慧高效"的品牌价值,从众多企业中脱颖而出,获邀参展。作为全域智慧新能源商用车领域的重要参与者和推动者,瑞驰汽车以“全域智慧 引领未来”为主题,携旗下多款全域...